Bronco ATV Vinssin automaattinen pysäytyssarja

Tuotemerkki: Bronco
Tuotekoodi: 73-12389-3
Tuotteen saatavuus
Varastossa, lähetettävissä heti (1-5pv)
Hinta
Alv
25,5%
-15%
92,74 €
109,10 €
Alin hinta 30 päivän aikana ennen alennusta
109,10 €
Hinta nyt
92,74 €
Netkone-tili
Kuukausierä 13,32 €, Maksuaika 12 kk, Luottosumma 92,74 €, Vuosikorko 0,00 %, Käsittelymaksu 0,00 €, Tod. vuosikorko 75,18 %.
Tulosta tuotetiedot A4-tuotesivu
Nopea toimitus!
Ilmainen toimitus yli 200€ tilauksiin!
30 päivää korotonta maksuaikaa!
14 vuorokauden palautusoikeus!
Maksutavat

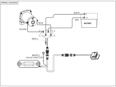
Tee vinssaamisesta helpompaa ja turvallisempaa tällä Broncon automaattisella pysäytyssarjalla. Erinomainen ratkaisu tilanteisiin, joissa vinssi ei vetäydy kokonaan, kuten lumiauraa käytettäessä. Suositellaan myös ajoneuvoihin, joita käyttävät useat tai kokemattomat kuljettajat.

Anturikappale katkaisee vinssin virran, kun se koskettaa vaijeriohjaimen, jolloin vinssi ei pääse vetämään liikaa/ylikuormittumaan ja vaurioittamaan komponentteja. Asennetaan helposti alkuperäisen vaijeriohjaimen tilalle.

HUOM: Asennus edellyttää pyöreää synteettistä köyttä. Ei yhteensopiva teräsvaijereiden tai litteän köyden sarjan 73-12012 ja 73-12012-2 kanssa. Pysäytyssarja toimii ainoastaan ohjaustangon katkaisijalla. Kaukosäädin toimii kuten ennenkin.